Product
自動充電装置

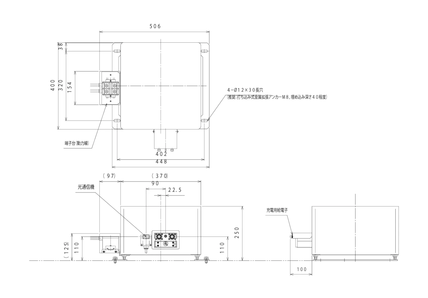
無人車システム(AGVS)にとって自動充電はバッテリ交換の手間を省き、 効率的なシステム運用を可能にします。 光通信器によりshiftyの到着を確認。充電アームを伸ばし、shifty 本体の集電子に接触。その後バッテリ電圧を確認して充電開始。満充電を判断後、バッテリ過充電防止のための保護モードへ移行します。
特徴

shifty専用、オリジナルの急速自動充電装置
shiftyにとって最適かつ急速な自動充電を実現。シールド鉛バッテリのツボに効く、独自の制御方法により易しく、しかも効果的に、急速の充電が可能。

運用面でも存在感を発揮(shiftyへの先行指示)
光通信を介してshiftyへの行先指示が出来る充実機能を装備。自動充電装置とshiftyがあれば、さまざまな運用に対応可能。外部機器とのやり取りはI/O信号及びシリアル通信により実施。

充実の安全性能
定期的な均等充電はバッテリの寿命にとって効果的。サイクル使用する中で、ばらつきが生じたセル毎の充電状態を均一にする事はバッテリを適正期間使用する上で不可欠。自動充電装置に直接バッテリを接続する事で均等充電が可能。
(オプションとなります)
動画を見る
仕様
| 入力電圧 | AC200V±10% 50Hz/60Hz |
|---|---|
| 入力電流 | 10A |
| 出力電圧 | DC28.8V |
| 充電電流 | 最大25A |
| 適合バッテリ | shifty専用バッテリ |
| 充電電源機能 | 保護機能 過電圧保護、過電流保護 入力瞬時電圧低下保護 冷却方式 強制空冷(内蔵ファンによる) |
| 充電方式 | 定電圧・定電流充電方式 |
| 使用環境 | 0〜40℃ 屋内、結露、凍結無き事 |
| 外形寸法(本体) | 幅:408mm 高さ:420mm 奥行:418mm |
外形図

画像をクリックで拡大

画像をクリックで拡大





